
产品中心/ products
产品型号:RV3500
更新时间:2026-01-23简要描述:介绍IFM易福门实心轴编码器应用域易福门不锈钢增量编码器,用于传送带同步等应用,可在严苛应用环境下确保更长的维护间隔。 IP 67的高防护等使其适用于食品中的潮湿区域。使用IO-Link功能时,易福门各类增量编码器的操作均类似于单圈编码器
介绍IFM易福门实心轴编码器应用域
编码器资料:
耐腐蚀不锈钢外壳——支持IO-Link,使用三芯电缆
使用寿命长:耐腐蚀不锈钢外壳
成本更低:支持IO-Link,使用三芯电缆
耐用:清晰的激光型标签
无参数值损失:也可通过IO-Link配置为单圈编码器
可编程参数减少了所需类型
适合严苛的环境状况
即使在断电情况下,编码器仍能检测并保存位置信息。
过程值、参数设置和诊断数据都可以通过IO-Link传输。 预防性维护现在变得非常简单。
脉冲序列针对检测旋转速度进行定义
用于准确位置确定和线性测量
通过 IO-Link 的友好通信和参数化
通过磁力感应原理获得高耐冲击和振动能力
分辨率可自由编程,从 1 ...10,000
技术数据:
温度扭矩参考 [°C] 20
存储温度 [°C] -40...80
允许的相对空气湿度 [%] 95; (不允许冷凝)
外壳防护等 IP 65; IP 66; (在外壳: IP 67; 在轴: IP 64)
环境温度 [°C] -40...80
注意环境温度
用于柔性的电缆: -25 °C
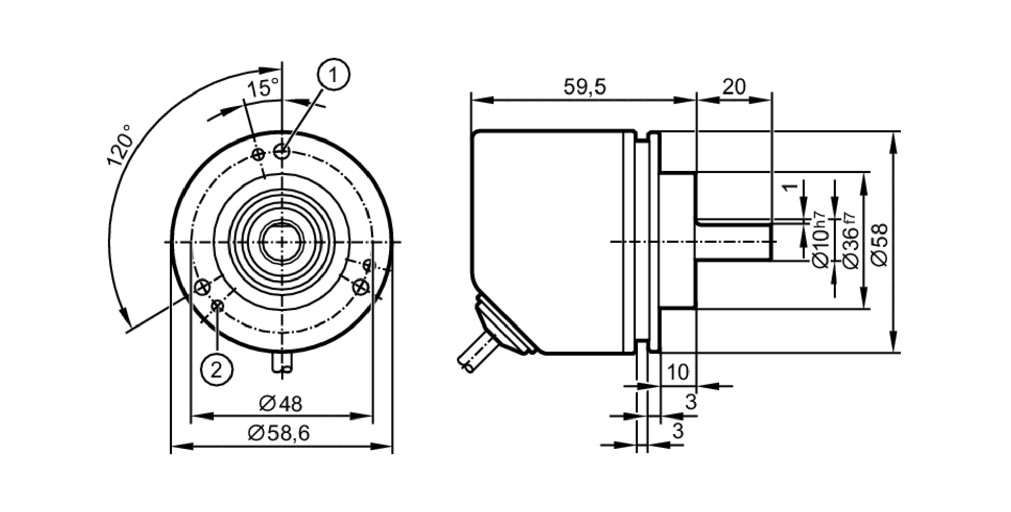
尺寸 [mm] Ø 58 / L = 79.5
原材料 法兰: 铝; 外壳: 不锈钢(1.4521/444); 电缆插头: PA
机械值 [U/min] 12000
启动扭矩值 [Nm] 1
介绍IFM易福门实心轴编码器应用域