
产品中心/ products
产品型号:IG513A
更新时间:2026-01-07简要描述:IFM易福门编码器注意事项就是每转过单位的角度就发出一个脉冲信号(也有发正余弦信号,然后对其进行细分,斩波出频率更高的脉冲),通常为A相、B相、Z相输出,A相、B相为相互延迟1/4周期的脉冲输出,根据延迟关系可以区别正反转,而且通过取A相、B相的上升和下降沿可以进行2或4倍频;Z相为单圈脉冲,即每圈发出一个脉冲。
IFM易福门编码器注意事项
产品描述:
2...10,000的分辨率和自由编程信号 (TTL / HTL)
显示屏:用于过程值显示的双色电子可旋转显示屏
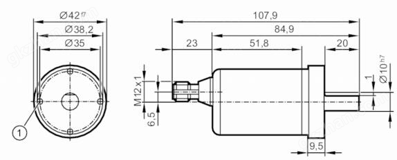
:可以轴向或径向使用M12插接件
标准配件:实心轴(卡箍/同步法兰)或空心轴设计
通过IO-Link传输过程和诊断数据
运动控制器:编码器、速度/方向监控器和计数器多合一
不牺牲
磁敏原理提供光电编码器的准确性,以及磁性系统的坚固性。
简单
可以编程分辨率和信号。编码器具有4.5...30 V DC的较宽电压范围,因此适合用途。
多功能
Performance Line编码器拥有一体式信号评估以进行速度监控、计数器功能和检测旋转方向。
直观
通过显示屏、操作键和直观的菜单导航,编码器提供轻松设置、位置显示。
网络化
通过IO-Link传输诊断和参数数据。为工业4.0做好准备。
IFM易福门编码器注意事项
产品特点:
温度扭矩参考 [°C] 20
轴监控器 实心轴
轴直径 [mm] 10
轴材料
特种钢
轴向轴负载zui大值 (轴末端) [N] 180
度 [°] 0.08
软件/编程
参数设定 CAN参数; 标度; 预设; 波特率; 转向; Node ID
分辨率 4096 分辨率; 4096 步距; 4096 圈数; 24 Bit
精度/偏差
尺寸 [mm] Ø 42 / L = 107.9
原材料 法兰: 特种钢; 外壳盖: 特种钢
机械zui大值 [U/min] 6000
启动扭矩zui大值 [Nm] 5
效果图:

